Caricare documenti e articoli online 
INFtub.com è un sito progettato per cercare i documenti in vari tipi di file e il caricamento di articoli online.


 
Non ricordi la password?  ››  Iscriviti gratis
 

SONDA LOGICA - SCHEMA ELETTRICO, ELENCO COMPONENTI

tdp



SONDA LOGICA


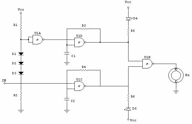
SCHEMA ELETTRICO


ELENCO COMPONENTI



Quantità



Sigla di riferimento

Valore

Caratteristiche


R1

56 KΩ

¼ W


R2

47 KΩ

¼ W


R3

56 KΩ

¼ W


R4

12 KΩ

¼ W


R5, R6


¼ W


D1, D2, D3


Diodi 1N4148


U1


74HC132


C1, C2

100 nF

Condensatori plastici


D4, D5


LED


Bz


Trasduttore acustico




RELAZIONE TECNICA



Oggetto di questa prova è la realizzazione di una sonda logica, la quale deve rilevare, mediante un opportuno ingresso, i livelli logici alto (1) e basso (0) e segnalarli con l'accensione di un rispettivo LED, e con l'emissione di un suono da parte di un trasduttore acustico (buzzer).

È possibile schematizzare il circuito progettato mediante un opportuno schema a blocchi:


Analizziamo ora singolarmente i vari blocchi:


RILEVATORE

In ingresso viene immesso un segnale mediante l'apposito morsetto IN. La struttura circuitale di questa prima parte della sonda è costituita da una porta a trigger di Schmitt, da alcuni diodi, e da due resistenze, una di pull-up ed una di pull-down.


LUCE LED

Mediante due differenti LED è possibile determinare direttamente, in base a quale dei due si accende, il livello logico del segnale in ingresso alla sonda.


TRASDUTTORE ACUSTICO - TONO ALTO/BASSO

Mediante un buzzer, otteniamo una funzione aggiuntiva a quella svolta dai due LED: se infatti in ingresso alla sonda vi è un livello logico alto il buzzer emette un suono acuto; se invece vi è un livello logico basso sarà emesso un suono basso.


Osserviamo ora lo schema circuitale.

In ingresso, si è detto, vi è una porta a trigger di Schmitt, con alimentazione 5V. Troviamo poi le resistenze di pull-up (R1) e di pull-down (R2), di valori pari a:


I tre diodi, collegati in serie tra di loro, presentano singolarmente una tensione di polarizzazione di 0,46 V, e quindi, complessivamente, sugli ingressi delle due porte vi è una tensione di 1,38 V, che rientra quindi tra i valori della differenza fra le due soglie del trigger (VT+-VT- = 2,8-1,8 = 1 V)

Quando nell'ingresso IN troviamo un livello basso, la porta U1A ha in ingresso un valore di tensione pari a quella applicata ai capi dei diodi (1,38 V), portando così l'uscita a livello alto.

Quando invece nell'ingresso IN vi  è un livello logico alto, la porta commuta l'uscita a livello basso. Il tutto è sintetizzato in tabella:





INGRESSO

OUT U1A

Scollegato (VA=1,65 V)

L

Basso (VA<0,42 V)

H

Alto (VA>2,8 V)

L


Osservando lo schema, l'uscita della porta U1A va in ingresso ad un'altra porta a trigger di Schmitt, U1D, che funge da generatore di tono, mentre il segnale immesso nell'IN va direttamente in ingresso ad un'altra porta, U1C: si tratta precisamente di due oscillatori ad onda quadra, costituiti da porte NAND. Trattandosi, appunto, di porte NAND, basta che uno solo dei due ingressi sia a livello basso per bloccare l'uscita a livello alto. Supponiamo che sia in ingresso che in uscita vi siano livelli logici alti. Il condensatore inizia a caricarsi, con costante di tempo pari a RC, fin quando la sua tensione non raggiunge quella di soglia superiore del trigger. A questo punto l'uscita commuta a livello basso ed il condensatore inizia a scaricarsi con uguale costante di tempo, finché non giunge ad avere una tensione pari alla tensione di soglia inferiore del trigger. Il ciclo va così ripetendosi.

Possiamo inoltre determinare il valore delle resistenze R3 ed R4. Supponiamo di voler un tono basso con frequenza di 200 Hz (T=5 ms) e di utilizzare un condensatore di 100 nF. La resistenza R3, della porta U1D, è quindi pari a:


Per il tono acuto si desidera invece una frequenza di 1 kHz (T=1 ms), con C2 100 nF. R4, resistenza di retrazione della porta U1C, sarà allora pari a:



Le due porte generano quindi due segnali acustici distinti: la porta U1D genera un tono basso, la porta U1C un tono alto. Chiaramente, al funzionamento di una delle due corrisponde l'inutilizzo dell'altra. Infine, troviamo i due LED, disposti ognuno all'uscita delle due porte. Si deduce, di seguito, che uno di questi si accende quando il segnale sull'ingresso IN è basso (D4), l'altro quando invece il segnale è a livello logico alto (D5). Vanno chiaramente determinati i valori delle resistenze limitatrici:



In sintesi, se in ingresso alla sonda vi è un livello logico alto il buzzer emette un suono acuto e il diodo LED D5 si accende, viceversa, se in ingresso vi è un segnale a livello logico basso il buzzer emette un suono basso ed il LED D4 si accende.



COLLAUDO

A progetto terminato sono state realizzate le elaborazioni principali per giungere al collaudo del lavoro: stesura dello sbroglio, che mostra il progetto per la realizzazione del circuito stampato; master e layout, che mostrano rispettivamente i collegamenti stampati e la disposizione dei componenti.

Successivamente il progetto è stato realizzato sperimentalmente su bread-board. Il tutto è stato visionato con l'ausilio di un tester, per verificare la presenza di eventuali errori o problemi di collegamento, e successivamente collaudato sperimentalmente. Si può così verificare realmente il funzionamento del circuito: mandando l'ingresso a massa viene emesso un suono basso e D4 si accende, mandando l'ingresso a Vcc viene emesso un suono acuto e D5 si accende. Il circuito realizzato risponde pertanto perfettamente ai parametri impostati nella progettazione.




Privacy




Articolo informazione


Hits: 22520
Apprezzato: scheda appunto

Commentare questo articolo:

Non sei registrato
Devi essere registrato per commentare

ISCRIVITI



Copiare il codice

nella pagina web del tuo sito.


Copyright InfTub.com 2025